戻る

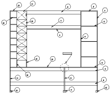
机の図面


1.吉山さんがCADで書いた図面です


2.ダウンロード

CADでもっと詳しく見たい方は
jwcファイルとdxfファイルをLZH圧縮したものがあります。
こちらでダウンロードしてください。
zumen.lzh
(43KB)


戻る